شاه ماهی، غلاف کاکلبور و سوسک نامیبیا چه وجه اشتراکی دارند؟ علاوه بر اینکه موجودات زنده هستند، همه آنها به عنوان الهام بخش فناوری های خلاق انسانی برای حل مشکلات چالش برانگیز عمل کرده اند.
منقار براق شاه ماهی، طراحی دماغهای ساده را در قطارهای پرسرعت ژاپن برانگیخت. Cockleburs از سیستم بست قلاب و حلقه Velcro الهام گرفت . و پشت سوسک نامیبیا الهام بخش یک گیاه جمع آوری آب در بیابان است.
این بیومیمیک است. این یک رویکرد به نوآوری است که توسط موسسه Biomimicry به این صورت تعریف شده است: ” راه حل های پایدار برای چالش های انسانی با تقلید از الگوها و استراتژی های آزمایش شده طبیعت”. راه حل های زیادی در طبیعت وجود دارد – و ما در حال یادگیری بیشتر و بیشتر از آنها هستیم.
من به عنوان یک محقق در علم و مهندسی مواد، روی مواد مختلف کار کرده ام. این مواد شامل بیومواد (سرامیک های قابل کاشت، سرامیک های دندانی و آلیاژهای تیتانیوم) و انواع فن آوری های پوشش های مختلف (پوشش های سد حرارتی در موتورهای توربین، پوشش های مقاوم در برابر خوردگی و تکیه گاه های کاتالیزور) است.
اجازه ندهید خود را گمراه کنید. مسائل را با کمک متخصصان درک کنید
Biomimicry به تیمهای من کمک کرده تا راهحلهایی را طراحی کنند که در غیر این صورت احتمالاً آنها را بررسی نمیکردیم. الهام از خود موجودات، نحوه ساختن مواد و نحوه کار موجودات زنده به دست آمده است. به عنوان مثال، بر اساس ساختارهای مشاهده شده بر روی برگ های گیاه، ما پوشش های سرامیکی را در دمای اتاق پرورش داده ایم تا فیلترهای روغن و آب را روی کاغذ و روی مش مسی بسازیم .
بیومیمیک چگونه کار می کند
آیا بدون حشرات پرنده، پرندگان و دانه های شناور می توانستیم هواپیما، گلایدر، چتر نجات یا هلیکوپتر بسازیم؟
به چرخش دانه افرا روی زمین یا شناور شدن دانه قاصدک در هوا نگاه کنید و مطمئن هستم که سوالات بیشتری خواهید پرسید.
انسانها عموماً کنجکاو و مشاهدهگر هستند و ما با نگاه کردن به دنیای طبیعی برای الهام گرفتن نوآوریهای زیادی انجام دادهایم. ما به دنبال درک و سپس “کپی” راه حل های موجود هستیم. فرآیند بیومیمیک نیز در مورد کنجکاوی و مشاهده است. ما یک فرآیند منظم را دنبال می کنیم تا با نگاه کردن به آنچه در طبیعت وجود دارد، سؤال بپرسیم و به دنبال پاسخ باشیم.
ما ابتدا عملکردها را مشاهده می کنیم – ارگانیسم چه کاری انجام می دهد؟ عملکرد می تواند ساده یا پیچیده باشد: یک دانه قاصدک که در هوا شناور است، یا سیگنال شیمیایی در بدن برای رشد استخوان. ما مشاهده می کنیم که چگونه یک موجود زنده به چنین عملکردی دست می یابد.
سپس مکانیسم هایی را تعیین می کنیم که توابع توسط آن ها انجام می شوند – به شیمی و فیزیک مکانیسم ها می رسیم. مرحله آخر انتزاع شکل، فرآیند یا اکوسیستم طبیعی به هدف دیگری است – تقلید برای استفاده خودمان.
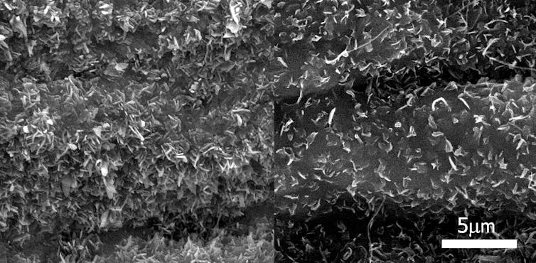
پوشش های برگ
توجه دارد. در گذشته، من یک پروژه تحقیقاتی برای ابداع روشهای جدید برای ساخت کاتالیزورهای ساختاریافته داشتم (پوششهایی که واکنشهای شیمیایی را بهتر انجام میدهند.) تیم در حال پردازش شبکههای سیمی فلزی بودند – برای تولید ساختارهای مو مانند سرامیکی که قرار بود نانوذرات فلزی را روی آنها رسوب دهیم.
ما میتوانستیم مش را بسازیم، اما دانشجوی کارشناسی ارشد یک روز نزد من آمد و گفت که اتفاق عجیبی در حال رخ دادن است. او نتوانست محلول پیش ساز نانوذرات (مخلوطی از مواد شیمیایی که به ساخت محصول نهایی کمک می کند) را برای خیس کردن شبکه سیمی تحت درمان قرار دهد. مش سیم روی مایع مبتنی بر آب شناور بود.
ما متوجه نشدیم که چه خبر است، و بنابراین به ساختار در میکروسکوپ نگاه کردیم. ما هنوز نفهمیدیم و بنابراین به طبیعت نگاه کردیم. من با یک بطری آب به گلخانه خود در محوطه دانشگاه سفر کردم. مدیر گیاهان مختلفی را به من نشان داد که آب را به شیوه های جذابی دفع می کردند و من روی آنها آب پاشیدم تا ببینم چه اتفاقی افتاده است.

من به انواع گیاهان در میکروسکوپ نگاه کردم و متوجه شدم که نیشکر ساختاری مشابه با پوشش سرامیکی دارد.

من شگفت زده شدم و این شروع یک مسیر تحقیقاتی جدید برای من بود. من می خواستم بفهمم که چگونه می توان پوشش هایی برای تقلید از برگ ها درست کرد.
پوششهای آبگریز ( دفع آب )، بر اساس ساختار مومهای موجود در سطوح برگ، در بسیاری از کاربردها استفاده میشوند – از رنگها (مانند برند لوتوسان) تا تولید برق، که در آنها میتوان با کنترل تشکیل قطرات در کندانسورها کارایی را به دست آورد. دیگهای بخار با توجه به نحوه رفتار طبیعت و با پرداختن به مکانیسم های شیمیایی و فیزیکی، می توانیم از مواد دیگر و برای کاربردهای مختلف محلول های الهام گرفته از زیست محیطی ایجاد کنیم.
رشد بافت استخوانی
در دبیرستان، دوستم در مورد نقص استخوانی در پایش به من گفت – یک سوراخ بزرگ در استخوان ران او. در حال دویدن بود و استخوان رانش شکست و به زمین افتاد. او در بیمارستان پنج سانتی متر کوتاهتر از خواب بیدار شد. چرا؟ زیرا 25 سال پیش، نقایص استخوانی به راحتی قابل ترمیم نبود و بافت آسیب دیده باید با جراحی برداشته می شد. هیچ چیز استخوان مانندی وجود نداشت که بتوان آن را در محل بافت آسیب دیده قرار داد تا استخوان جدید رشد کند. پای کاملاً خوب او نیز باید کوتاه می شد.
امروزه، به دلیل بیومیمیکری، میتوانیم بافت استخوانی را ترمیم و بازسازی کنیم – شکستن پای شما لزوماً به این معنی نیست که شما نیز کوتاهتر میشوید! چگونه میتوانیم کاری را که قبلاً نمیتوانستیم، اکنون انجام دهیم؟ ما یاد گرفتهایم که بدن چگونه بافت استخوانی را رشد میدهد، و توانستهایم با تقلید از فرآیندهای طبیعت، رشد استخوان را القا کنیم.
اکنون میتوانیم در آزمایشگاه شیشه بسازیم، آن را کاشت کنیم و استخوان جدید به جای آن رشد کند. سه ماه بعد اثری از شیشه نیست. بسیار شبیه معجون “Skele-Gro” از سری هری پاتر است اما بدون طعم و مزه بد! نوآوریهای ما از خودمان الهام گرفتهاند – بالاخره ما نیز بخشی از طبیعت هستیم.
شیشه بیواکتیو، یک شیشه سیلیکا مبتنی بر فسفات کلسیم است که جذب مواد و رشد استخوان را تحریک می کند، اغلب در کاربردهای دندانپزشکی برای پیوند استخوان استفاده می شود. این ماده در یک نقص استخوان قرار می گیرد و به مرور زمان، تحت تنش ها و محیط زیستی، شیشه خورده می شود و به سلول های استخوانی (استئوبلاست ها) سیگنال می دهد تا در سطح بچسبند و تکثیر شوند و استخوان جدید تشکیل دهند. شیشه کاشته شده کاملا حل شده و با استخوان جدید جایگزین می شود.
بیومیمیک و آینده
و آینده چطور؟ ما در طول زمان و مطالعات پیچیده تحقیقاتی در مورد آنچه در جهان طبیعی اتفاق می افتد بسیار بیشتر می بینیم و می آموزیم که پیش بینی آنچه ممکن است در آینده بیاموزیم دشوار است. با این حال، همانطور که بیشتر میآموزیم، متوجه میشویم که برای بسیاری از پدیدههای طبیعی بیش از حد سادهسازی کردهایم – بنابراین باید کنجکاو و مراقب دنیای طبیعی باشیم و بدون از دست دادن کل سیستم، به جزئیات بپردازیم.
و از آنجایی که مردم به دنبال رابطهای ماشین مغز هستند، شاید ما نیز ممکن است به دنبال تخیلات دیگری نیز باشیم. تساهیلو از قوم ناوی در فیلم آواتار “پیوند” بین حیوانات مختلف است – راهی برای احساس یکپارچگی با توانایی عمل کردن به عنوان یک. تصور کنید اگر به جای تقلید از طبیعت بتوانیم با آن یکی شویم. نمیدانم چه رازهای دیگری ممکن است از شاه ماهی، غلاف کاکلبور و سوسک نامیبیا بیاموزیم.

بدون نظر